诚信为本,市场永远在变,诚信永远不变
    本栏目暂无资料,感谢您的关注...
电话15295237040
地址:吉林省长春市宽城区台北明珠B4#1434号
电话:15295237040
邮箱:hanzhangzhi@jishengguangdian.com
产品中心您当前的位置:首页-产品中心-气浮位移台-ABRX-M150电机直驱气浮旋转台

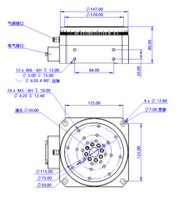
气浮位移台-ABRX-M150电机直驱气浮旋转台

更新时间:2024/03/13


电机直驱气浮转台

ABRX-M150配有电机驱动的气浮转台

 

image.png 

 

ABRX-M150电机直驱气浮旋转台

特点

· 气浮轴承,力矩电机驱动,光栅编码器反馈

· 端面跳动量<100nm

· 连续运动平滑,工业级别使用寿命

· 性价比高,国内生产,满足国内工业客户要求  


技术指标

image.png

【返回列表页】

地址:吉林省长春市宽城区台北明珠B4#1434号   电话:15295237040   
版权所有:长春市吉盛光电科技有限公司     ICP备案编号:吉ICP备2024013420号-1