诚信为本,市场永远在变,诚信永远不变
    本栏目暂无资料,感谢您的关注...
电话15295237040
地址:吉林省长春市宽城区台北明珠B4#1434号
电话:15295237040
邮箱:hanzhangzhi@jishengguangdian.com
产品中心您当前的位置:首页-产品中心-气浮位移台-AB-R100气浮旋转轴承

气浮位移台-AB-R100气浮旋转轴承

更新时间:2024/03/13

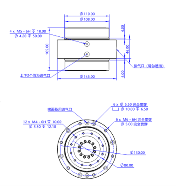
气浮轴承

AR-R100系列气浮轴承 

image.png

AB-R100气浮轴承

特点

· 气浮旋转轴承,无摩擦

· 连续运动平滑,工业级别使用寿命

· 性价比高,国内生产 

技术指标 

image.png 

 

 

 


【返回列表页】

地址:吉林省长春市宽城区台北明珠B4#1434号   电话:15295237040   
版权所有:长春市吉盛光电科技有限公司     ICP备案编号:吉ICP备2024013420号-1