诚信为本,市场永远在变,诚信永远不变
    本栏目暂无资料,感谢您的关注...
电话15295237040
地址:吉林省长春市宽城区台北明珠B4#1434号
电话:15295237040
邮箱:hanzhangzhi@jishengguangdian.com
产品中心您当前的位置:首页-产品中心-直线电机位移台-高精度大负载Z轴直线电机平台

直线电机位移台-高精度大负载Z轴直线电机平台

更新时间:2024/03/13

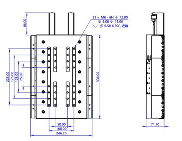
高精度大负载Z轴直线电机平台

NFZ240-Z 系列(Z轴高精度直线电机平台)

image.png 

image.png 

NFZ240-Z 系列(Z轴高精度直线电机平台)

特点(垂直轴直线电机运动平台:带配重平衡和导轨刹车)

· 直线电机驱动高精度,导轨配刹车,可实现Z轴刹车功能

· 连续运动平滑,工业级别使用寿命

· 性价比高,国内生产                                          

 

技术指标

 

image.png 

 

 

 

 


【返回列表页】

地址:吉林省长春市宽城区台北明珠B4#1434号   电话:15295237040   
版权所有:长春市吉盛光电科技有限公司     ICP备案编号:吉ICP备2024013420号-1